kategória: Najlepšie články » Praktická elektronika
Počet zobrazení: 95690
Komentáre k článku: 3
DIY LED Garland Controller
Opis jednoduchého ovládacieho obvodu girlandy LED.
Teraz nie je problém kúpiť si novoročný veniec s ovládačom: v predaji je dostatok čínskych blikajúcich svetiel.
Zdá sa, že išiel, kúpil všetko. Bude však oveľa príjemnejšie, ak bude girlanda vytvorená vlastnými rukami. Pomôže to oživiť staré girlandy zdedené po starých rodičoch spolu so starými dekoráciami vianočných stromčekov.
Zostavenie takého ovládacieho zariadenia (ovládač, automatické svetelné efekty) nie je vôbec ťažké. dosť vyrobiť dosku plošných spojov a spájkujte do nej pár detailov.
Vo vývoji zariadení na reguláciu svetelných efektov existujú tri oblasti: mikrokontrolérové systémy, systémy využívajúce RPZU a kontrolné zariadenia na logických mikroobvodoch malého stupňa integrácie.
Nie je pochýb o tom, že prvé dva systémy majú najväčší počet efektov a systémy mikrokontrolérov sú dokonca ešte jednoduchšie v konštrukcii obvodov (iba mikrokontrolér a výstupné kľúče), ale takéto zariadenia si budú vyžadovať zápis programu. Okrem toho potrebujete programátor, ktorý beží na počítači. Preto je ovládač na logických obvodoch zostavených podľa hotového obvodu oveľa rýchlejší a ľahší ako prvé dva.
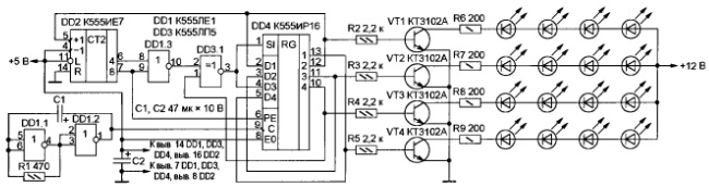
Obrázok 1 zobrazuje schému jednoduchého ovládača, ktorý riadi činnosť štyroch LED svetiel.
Obrázok 1. Ovládač pre LED svetlá (kliknutím na obrázok ho zväčšíte).
Napriek jednoduchosti obvodu implementuje radič niekoľko svetelných efektov. Sú to smerové svetlá v jednom a druhom smere. Navyše z jedného, dvoch alebo dokonca troch girlandov. Svetlá postupne zapínajte a vypnite v opačnom smere. Okrem týchto efektov implementuje radič niekoľko ďalších. Je len potrebné to vidieť, nie prečítať v článku.
Každý efekt sa automaticky niekoľkokrát opakuje a potom sa vykoná nasledujúci obrázok bez toho, aby došlo k únave publika.
Obvod nemá veľký objem a pozostáva iba zo štyroch mikroobvodov, takže nebude zložité ho zostaviť.
Základom zariadenia je štvormiestny posuvný register s paralelným zaznamenávaním údajov K555IR16. prevádzka posúvacieho registra je riadená logickými prvkami DD1, DD3 a binárnym čítačom DD4 typu K555IE7. „Diaľkové svetlá“ v jednom smere sa získavajú jednoduchým posunom kódu uloženého v registri. V opačnom smere sa toho istého účinku dosiahne paralelným zápisom jeho výstupných kódov do registra a ich následným posunutím o jeden bit.
Na prvkoch DD1.1, DD1.2 vyrobil hlavný oscilátor ovládača. S hodnotami kondenzátora C1 a rezistora R1 uvedenými na obrázku je jeho frekvencia asi 3 ... 4 Hz. Môžete ho zmeniť výberom názvov týchto častí. Namiesto R1 môžete vložiť variabilný odpor do jedného - jeden a pol kilogramu ohmu. Potom bude možné manuálne meniť frekvenciu v rámci určitých limitov.
Ovládanie girlandy sa vykonáva pomocou tranzistorových spínačov VT1 ... VT4. Okrem tých, ktoré sú uvedené v diagrame, sú vhodné akékoľvek tranzistory s reverznou vodivosťou s nízkym alebo stredným výkonom, ako je KT315 alebo KT815.
Ako je uvedené vyššie, počet častí je malý. Preto sa všetky zmestia na jednu dosku, ktorej nákres je znázornený na obrázku 2.
Obrázok 2. Obvodová doska a umiestnenie častí (kliknutím na obrázok ho zväčšíte).
Pri výrobe dosky by ste mali venovať pozornosť skutočnosti, že pod mikroobvodmi DD2, DD3, DD4 sú prepojky na káble. Nesmieme zabudnúť na inštaláciu pred spájkovaním mikroobvodov. Čipy samotné môžu byť nahradené funkčnými analógmi zo série K155, KR1533 alebo cudzími analógmi, ktoré nájdete na internete.
Každý veniec je zostavený z LED rovnakej farby.Teraz je možné použiť štyri farby: červená, zelená, žltá a modrá. Ak je potrebné zvýšiť počet LED v každej girlande, potom by sa malo zvýšiť ich napájacie napätie, v našom prípade je to + 12 V, pri rýchlosti asi dvoch voltov pre každú ďalšiu LED. Napätie by samozrejme nemalo prekročiť maximálne prípustné pre tranzistory s kľúčom. Odpor rezistorov R6 ... R9 by sa mal zvoliť tak, aby prúd cez LED neprevýšil 20 ... 25 mA.
Ako zdroj energie môžete použiť čínsky adaptér na napätie + 12V a doplniť ho integrovaným stabilizátorom typu 7805. Na napájanie mikroobvodov je potrebné získať napätie + 5V. Pretože existujú iba štyri obvody, stabilizátor môže pracovať bez radiátora.
Namiesto LED diódy sa môžete pripojiť triak kľúčepotom bude možné použiť girlandy žiaroviek. Schéma zapojenia nájdete v článku „Ako pripojiť záťaž na riadiacu jednotku na mikroobvodoch“. Štruktúry môžu byť kľúče vykonávané na samostatnej doske a spojené s ovládačom pomocou vodičov. Obe dosky by mali byť umiestnené v jednom prípade.
boris Aladyshkin
Pozri tiež na electro-sk.tomathouse.com
:


