kategória: Najlepšie články » Domáca automatizácia
Počet zobrazení: 73875
Komentáre k článku: 2
Jednoduché diaľkové ovládače pre elektrické prijímače telefónom
V súčasnosti už existuje veľa priemyselných zariadení, ktoré sú riadené štandardom GSM (Globálny systém pre mobilnú komunikáciu) - digitálny štandard pre mobilnú komunikáciu alebo dnes známy mobilný telefón. Je to tak poplach proti vlámaniu, rôzne ovládacie skrinky pre priemyselné vybavenie alebo jednoducho oddelené zásuvky, ako je znázornené na obrázku 1.
Vzhľad je pravidelným adaptérom, ktorý sa pripája do sieťovej zásuvky. Zaťaženie je možné zapnúť zvonením alebo prenosom. sms pomocou mobilného telefónu. Je tiež možné manuálne ovládanie pomocou dvoch tlačidiel umiestnených na prednom paneli. Výkon spínaný takýmito zásuvkami je v závislosti od modelu v rozsahu 1 - 5 kW, čo vám umožňuje zapnúť takmer akékoľvek zaťaženie.
Vyrábajú sa aj viackanálové zásuvky, napríklad počítačový „boot“, ktorý vám umožňuje ovládať nezávislú prevádzku niekoľkých záťaží. Takéto zariadenia sú jedným z prvky inteligentného domua preto je ich cena pomerne vysoká: ak sa pozriete na internet, ceny sa pohybujú od 1 000 do 3 500 rubľov.

Obrázok 1 Vzdialený modul sms management
Napríklad zásuvka s diaľkovým ovládaním cez SMS (môže ju ovládať 5 používateľov) s integrovaným snímačom teploty. Pomocou senzora môže zásuvka automaticky zapínať a vypínať domáce spotrebiče v súlade s okolitou teplotou:

Obrázok 2 Pzásuvka s diaľkový správa SMS
Ešte drahšie ako jednotlivé zásuvky sú priemyselné moduly. Na obr. 2 je napríklad zobrazená ponuka internetového obchodu na predaj riadiaceho modulu DTMF.

Obrázok 3
Z tohto obrázku sa doteraz na povrchu objavila skratka DTMF. Čo je to, pozri nižšie.
Signály DTMF
V starých telefónoch sa vytáčanie uskutočňovalo otáčaním číselníka: prst vytáčal pružinu číselníka na požadovaný počet číslic, číselník sa otočil späť, aby sa kontakt uzavrel, a na slúchadle bolo počuť kliknutie. Takýto súbor sa nazýval pulzný. Pulzná voľba sa používala aj v moderných zariadeniach s dial-dial dialerom.
V súčasnosti sa používa tzv. Tónová voľba. Skúste vytočiť číslo na pevnom telefóne - v prijímači sa ozývajú zvuky rôznej tóny. Počúva signály DTMF, - dvojtónový viacfrekvenčný signál, - dvojtónový viacfrekvenčný signál. Obrázok 4 zobrazuje tabuľku, podľa ktorej sa prenášajú čísla a niektoré znaky, ktoré sa prenášajú pri vytáčaní čísla.

Obrázok 4
Napríklad číslo „1“ zodpovedá kombinácii frekvencií 697 a 1209 Hz a číslo „9“ zodpovedá 852 a 1477 Hz. Frekvencie sú vybrané tak, že sa prenášajú spolu, netvoria harmonické. Na dešifrovanie zvukových balíkov existujú špecializované mikroobvody - dekodéry, napríklad IL9270N, HM9270, MT8870. Sú to iba analógy rôznych spoločností. Môžu sa líšiť aj v počte záverov, alebo ako v cudzom prípade pinov (z anglického špendlíka), ale vykonávajú rovnaké funkcie.
Okrem týchto špecializovaných dekodérov môžu byť signály DTMF dešifrované v digitálnych počítačoch pomocou Goertzelovho algoritmu. Tieto signály môžu byť samozrejme tiež dekódované pomocou mikrokontrolérov alebo, ako sa niekedy hovorí, zabudovaných počítačov.
Okrem vytáčania telefónneho čísla DTMF je táto technológia široko využívaná v inteligentných domácich systémoch, alarmoch a poplašných systémoch. Značky DTMF sa používajú aj v komerčnom vysielaní.
Systém DTMF bol vyvinutý už v roku 1961, ale do Ruska sa dostal až v deväťdesiatych rokoch minulého storočia.Dotykové tónové vytáčanie bolo spočiatku poskytované ako platená služba, ale nie všade, pretože dotykové tónové vytáčanie je možné iba na moderných digitálnych telefónnych ústredniach. Vo všeobecnosti sú predné reléové stanice stále v prevádzke na mnohých miestach, čo umožňuje použitie iba pulznej voľby.
A teraz sa pokúste zažiť taký zážitok: zavolajte do cely, no, prinajmenšom vášmu kolegovi v práci, pretože ste celý deň v tej istej miestnosti. Potom, čo „zdvihne telefón“, stlačte na telefóne akékoľvek čísla: Signály DTMF vo forme krátkych hudobných zvukov sa budú počúvať v dynamike jeho telefónu. (Podľa fyzikálnych zákonov sa hudba nazýva zvuky, ktoré majú určitú frekvenciu). Napríklad hluk na ulici nie je možné považovať za hudobný zvuk.
Rovnaké zvuky sú prítomné aj v dynamike náhlavnej súpravy telefónu: bod je malý, stačí pripojiť dekodér DTMF ku konektoru náhlavnej súpravy a tu ste, pripravené ovládacie zariadenie. V niektorých prípadoch je počet kontrolovaných záťaží iba jeden a musíte ho kedykoľvek zapnúť alebo vypnúť.
Domáce vzdialené zariadenia ovládanie telefónu
Ďalej sa bude uvažovať o niekoľkých jednoduchých zariadeniach a jedno z nich sa jednoducho vykoná na relé a iba na jednom.
Niekoľko slov o prevádzke obvodu. Základom zariadenia je polarizované relé. Ako je možné vidieť na obrázku, má dve cievky zapnuté takým spôsobom, že keď je na jednu cievku privedené napätie, je armatúra relé pritiahnutá k jednému jadru a zostáva v tejto polohe, aj keď na cievke už nie je žiadne napätie - vo vnútri relé je magnet.
Aby sa ukotvila späť, je potrebné priviesť napätie, aspoň impulz s dostatočnou dobou trvania a amplitúdou, na ďalšiu cievku. Kotva zostane v natiahnutom stave, aj keď je odpojené napájacie napätie. Naozaj to nepripomína RS - spúšť?
Zariadenie je napájané zo siete prostredníctvom polvlnného usmerňovača D1, R1, R2, C1. Na kondenzátore C1 sa získa napätie asi 24 V. Deje sa to, samozrejme, v rozpore so všetkými bezpečnostnými predpismi, ale autor ubezpečuje, že ak sa zvlášť nestratíte a nechcete ísť tam, kam nemusíte, potom ... Všeobecne platí, že všetko bude fungovať!
Telefón musí mať vibračné varovanie: na jeho kontaktoch bude zapojené relé optočlenu IC1, na obrázku je to odpor R4 a výstup optočlenu 1. Polarita pripojenia je na obrázku. Pri pripojení k telefónu je potrebné skontrolovať polaritu napätia výstrahy vibrácií pomocou multimetra alebo pomocou LED s odporom.
Keď pracuje vibro, výstupný tranzistor sa otvára vo vnútri optočlenu (piny 5 a 6). Kondenzátor C4 sa nabíja zo zdroja energie pomocou pravého vinutia relé a otvoreného tranzistora optočlenu. Rameno relé sa prepne na ľavú cievku a kontaktom K1.2 sa zapne magnetický štartéra kontaktom K1.1 pripraví ľavú cievku na ďalšie prepnutie.
Kondenzátor C4 sa vybíja cez rezistor R3 približne päť minút, počas ktorého sa odoslaním z telefónu nezmení stav zariadenia. So všetkou zjavnou jednoduchosťou má zariadenie jednu významnú nevýhodu: schopnosť získať exotické polarizované relé a dokonca aj potrebný pas je teraz takmer nula. Toto napísal aj autor schémy vo svojom opise.
Ďalšie jednoduché ovládacie zariadenie je znázornené na obrázku. 5.

obrázok 5. Obvod ovládania záťaže telefónu
Vykonáva sa na špecializovanom dekodéri čipových signálov DTMFMT8870. Účelom tohto zariadenia pri výkone autora je zapnutie a reštartovanie počítača na diaľku. Zariadenie pracuje nasledujúcim spôsobom. Po zavolaní na toto číslo po zdvihnutí slúchadla 1 alebo 2, čo zodpovedá zapnutiu počítača POWER alebo reštartu RESET.
Obvod prijíma energiu priamo z mobilného telefónu, výstupné tranzistory optočlenov sú spojené paralelne s príslušnými tlačidlami počítača.Optočleny PC817 sa široko používajú pri prepínaní napájacích zdrojov z počítača na nabíjačky mobilných telefónov.
Prístroj je pripojený ku konektoru headsetu, ku kolíkom reproduktora, na ktorých sa, ako je uvedené vyššie, objavujú signály DTMF. Hlavným zlyhaním tejto schémy pri opakovaní je, že telefón musí automaticky zdvihnúť slúchadlo, keď je pripojená náhlavná súprava. Nie všetky telefóny majú takúto možnosť.
obrázok 6. Schéma zariadenia na kontrolu zaťaženia telefónu (kliknutím na obrázok ho zväčšíte)
Obvod je založený na hardvéri, t. Neobsahuje mikrokontroléry, ktoré vyžadujú softvér, všetka logika práce sa dosahuje vďaka samotnému obvodu.
Hovor telefónu je prijímaný mikrofónom, zosilnený na požadovanú úroveň zosilňovačom, v dôsledku čoho je aktivované relé, ktorého kontakty sú spojené s tlačidlom „Answer“ (zdvihnite slúchadlo). Po aktivácii tohto relé sa spustí časové oneskorenie asi 7 sekúnd. Ak máte čas na stlačenie potrebných tlačidiel, signál DTMF sa odošle do dekodéra DA1, ktorého výstupné signály sa môžu pripojiť cez dekodér DD3 cez relé, aby sa odpojilo až 12 záťaží.
Po 7 sekundách bude relé „zavesiť“ pracovať (jeho kontakty sú spojené s tlačidlom „zavesiť“), pre ďalšiu kontrolu budete potrebovať ďalší hovor. Ukazuje sa teda, že telefón, len celý, bude zabalený vodičmi: vodiče z relé do tlačidiel a dokonca aj výstup signálu DTMF z konektora headsetu.
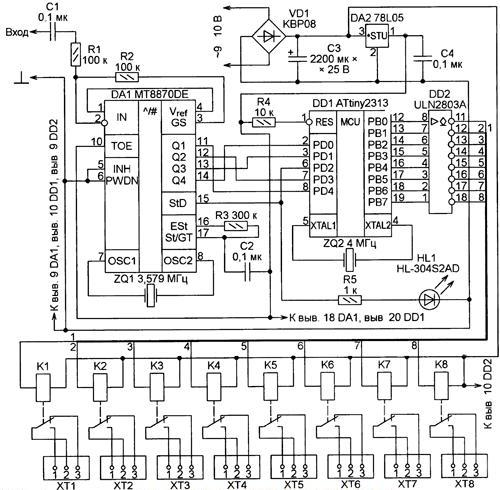
Na obrázku je znázornená jednoduchšia schéma s odkazom na počet častí. 7.
obrázok 7. Schéma zariadenia na kontrolu zaťaženia telefónu (kliknutím na obrázok ho zväčšíte)
Tu sa používa telefón s automatickým výberom, keď je pripojená náhlavná súprava, takže nemusíte spájať tlačidlá, stačí pripojiť konektor náhlavnej súpravy. Tento obvod zabezpečuje ovládanie 8 záťaží, riadiace príkazy sú uvedené v popise obvodu.
Tieto schémy však vôbec nie sú tie, ktoré sa na začiatku článku nazývali najzložitejšie a najzávažnejšie. Existujú ľudia, ktorí používajú zabudovaný modul GSM SIM300D namiesto starého mobilného telefónu. Jeho cena je 4200 rubľov., Je pravda, že už nie je v prevádzke. V tomto module je vložená karta SIM.
Viac informácií o tom, ako nezávisle zostavovať a programovať diaľkové ovládacie zariadenie pri tvorbe obsahu, nájdete tu:
Podrobný návod, ako nezávisle zostaviť a nakonfigurovať zariadenie na kontrolu zaťaženia na mobilnom telefóne -
Boris Aladyshkin
Pozri tiež na electro-sk.tomathouse.com
:


