kategória: Elektrické recenzie
Počet zobrazení: 10888
Komentáre k článku: 0
Programovateľné radiče signálu LED
Dnes už nie je možné nikoho prekvapiť iba svetelným nápisom alebo svetlom rámčekom s maľovaným obrázkom. Spotrebiteľ potrebuje okuliare a statický reklamný obraz sa rýchlo stáva minulosťou, ustupuje dynamickým displejom a značkám s bežiacimi svetlami, všeobecne dúhovými písmenami - dynamika nahrádza statiku.
A to vôbec neprekvapuje, pretože sa objavil trh programovateľné led kontroléryktoré uľahčujú vytváranie jedinečných dynamických svetelných efektov, ktoré v kombinácii s modernými LED diódami môžu vytvárať skutočné zázraky vizualizácie.
Malá kontrolná skrinka na označenie na žiadosť projektanta oživí linku LED, zloženie LED svietidloalebo veľký klaster LED - blok jednotlivých LED alebo blok celých radov LED. Takéto riešenia založené RGB klastre LED a zodpovedajúce programovateľné viackanálové ovládače - umožňujú dizajnérom implementovať najnáročnejšie nápady na značenie.
Spárovaním viacerých ovládačov bude značka ešte živšia, nehovoriac o tisícoch dostupných odtieňov a desiatkach stupňov jasu. Zároveň na vytvorenie efektov musí užívateľ iba otvoriť program v počítači, napísať ľahký skript pre znamenie, pripojiť ovládač k portu USB, napísať do neho hotový program a to je všetko - k znameniu sa dá pripojiť aj kontrolér. Mimochodom, niektoré ovládače môžu byť vybavené snímačmi okolitého svetla a diaľkovými ovládačmi.
Programovateľné regulátory sú v zásade schopné riadiť ako konvenčné monochromatické klastre, tak klastre RGB pre napätie typicky do 24 voltov, hoci všetko závisí od modelu kontroléra, jeho zložitosti a účelu projektanta.
Ovládač je schopný poskytnúť až 262 000 farebných odtieňov pri užívateľom definovanom jasu a každý kanál ovládača bude pracovať samostatne. V zásade nie je počet kanálov obmedzený, stačí sa dokovať a synchronizovať medzi sebou požadovaný počet radičov.
Vytvorením skriptu v programe bude môcť užívateľ okamžite testovať vizuálne - odhadnúť, ako bude práca znaku vyzerať, a okamžite vykonať opravy podľa svojho uváženia. Stručne povedané, systém je dosť flexibilný. A ak predtým vývojár musel vypnúť zložité analógové obvody, teraz stačí napísať program v priateľskom a veľmi jasnom prostredí.
Ďalej zvážte napríklad niektoré kontroléry, ktoré sú navrhnuté na prácu so značkami LED.
iMLed16x3_Pro (16ch, 2A / ch) od Impuls Light

Veľkosť ovládača je 20 x 10 cm a výška 3,5 cm, s hmotnosťou iba 200 gramov. Regulátor je schopný ovládať až 16 kanálov s napätím od 5 do 25 voltov a maximálny prúd 32 ampérov pre 16 kanálov s 2 ampérmi sa dosahuje napájaním 12 voltov LED.
Program sa sťahuje pomocou kábla USB pomocou dodávanej patentovanej aplikácie DynamicLight, pomocou ktorej je používateľ schopný písať programy v 1336 krokoch pre jeden ovládač s časovým krokom od 5 milisekúnd do 4 minút.
Rýchlosť skriptu je úplne na žiadosť používateľa je regulovaná. Užívateľ tak dostane príležitosť za pár minút vytvoriť dynamický skript akejkoľvek zložitosti.
Užívateľ má 16 kanálov alebo 5 nezávislých skupín pre RGB. Môžete pripojiť monochromatické moduly a pásky, pixely LED a klastre RGB pre napätie od 5 do 24 voltov.
Program „DinamicLight“ na blikanie skriptu do kontroléra je prezentovaný ako matica, ktorú musí užívateľ vyplniť priradením odtieňa, režimu zapnutia a vypnutia každej zložky alebo skupiny, zapnutím efektov (pretečenie, prechod, stroboskop atď.) A tiež nastavením času medzi prechody. Odtieň sa nastavuje ručne z palety a jas a čas sa jednoducho zadávajú číslami.
Výhodou použitia programu je skutočnosť, že každú skupinu diód LED možno nazvať svojím menom, aby nedošlo k zámene v procese vytvárania skriptu.
Na vytvorenie viacerých kanálov na označenie alebo na dodanie väčšieho množstva prvkov prvkom stačí synchronizovať niekoľko radičov iMLed16x3_Pro navzájom pomocou princípu master-slave a potom ich navzájom prepojiť dvojžilovým káblom.
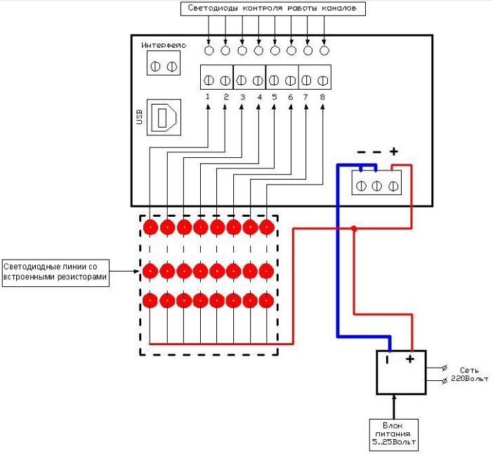
RUNLINE Dominator 810

Ovládač meria 11,5 x 6,5 cm a výšku 4 cm s nízkou hmotnosťou 330 gramov. Regulátor môže ovládať až 8 kanálov, s napätím v rozsahu od 4 do 25 voltov, s maximálnym celkovým prúdom 40 ampérov a maximálnym prúdom na kanál s 10 ampérmi.
Program sa sťahuje cez USB pomocou dodávaného softvéru Led Controller, s ktorým je používateľ schopný písať programy v 65 000 krokoch pre jeden ovládač s opakovaním as dobou trvania rámca od 1,6 milisekundy do 4 sekúnd. Pomocou aplikácie môžete vytvoriť dynamický skript akejkoľvek zložitosti v priebehu niekoľkých minút.
Na programovanie je k dispozícii 8 kanálov. Môžete pripojiť monochromatické moduly, pásky, pixely LED a dosku pre napätie od 4 do 25 voltov.
Okno programu „Led kontroler“ na blikanie skriptu je zobrazené vo forme matice buniek s pravítkami: názov kanála vertikálne a prevádzkový čas - horizontálne, ktoré používateľ vyplní, nastavenie režimov zapnutia a vypnutia pre každú súčasť alebo skupinu, pridanie efektov, úprava intervalov pracovného času pomocou pohodlného jazdca.
Výhoda použitia programu spočíva nielen vo vizuálnej reprezentácii značky, ale aj v možnosti pomenovania každého kanála, aby sa uľahčila navigácia počas zostavovania skriptu.
Na vytvorenie viacerých kanálov na signage stačí synchronizovať niekoľko radičov Dominator 810 medzi sebou a môžete napísať program pre niekoľko kontrolérov súčasne, v okne bude viac kanálov a bunky pre každý radič budú zafarbené.
Pozri tiež na electro-sk.tomathouse.com
:




